Промисловий температурний контролер реле контролю температури діапазон 0...600 °C щитовий 78*36 мм
1 247 ₴
- Немає в наявності
- Код: DT-36E
+380672182270
- +380 (44) 500-28-16
- +380 (44) 500-28-17
- +380 (67) 218-22-70
- +380 (67) 218-24-23
повернення товару протягом 14 днів за рахунок покупця
Терморегулятор дворівневий — надійний мікропроцесорний (електронний) недорогий температурний регулятор, контролер температурний, для контролю процесу нагрівання — приладовий або щитовий монтаж. Розмір 78х36 мм. DT-36E, TENSE.
Основні параметри терморегулятора:
- Тип датчика, використовуваного для температурного контролера — Fe-const, J type;
- Діапазон вимірюваної температури: 0°C.+600 °C; крок вимірювання 1 °C;
- Контроль ведеться за принципом - ВМИК-ВИМИК (ON-OFF);
- Встановлення параметрів гістерезису;
- Встановлення верхнього рівня для значень температури SET;
- Індикація як встановлених значень температури, так і поточних значень (перемикання);
- компенсація впливу температури "холодного під'єднання" для датчиків типу T/C (cold-junction compensation);
- Чудова лінійність таблиці перерахунку температура/мВ;
- Висока точність вимірювань;
- Енергонезалежна пам'ять (EEPROM memory) для збереження даних;
- Перекидний керівний контакт OUT;
- Легкість від'єднання/під'єднання до контрольованого обладнання — з'єднання виготовлені за допомогою роз'ємів, що швидко під'єднуються.
- розширений діапазон робочої напруги — 100...240 В, 50-60 Гц
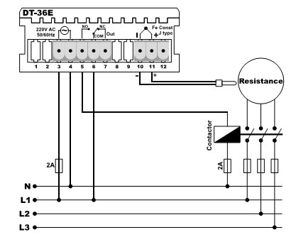
Схема під'єднання


Під час замовлення товару на забудьте, будь ласка, купити датчик температури TK , а також 2- Амперний автоматичний вимикач для захисту вхідних і вихідних каналів цього пристрою (2 штуки).
Обратите увагу!!!
- дотримуйтеся полярності під час під'єднання датчика температури — недотримання цього правила може призвести до неправильної роботи регулятора температури та пошкодження датчика.
- під'єднуйте дроти датчика безпосередньо до пристрою;
- під час під'єднання контролера до мережі живлення використовуйте запобіжник 250 мА 250 В, використовуйте кабель відповідного перерізу, виконуйте правила електробезпеки.
- для сигнальних контактів використовуйте екрановану звиту пару із заземленим екраном. Прокладайте цей кабель у місцях, захищених від сильних електромагнітних полів, контакторів або силових кабелів.
-
Увага важлива! Попри те, що цей терморегулятор призначений для вимірювання температури нижче -20 градусів і вище 55 градусів сам прилад необхідно встановлювати там, де температура є в діапазоні -20....+55 градусів . Інакше пластиковий корпус може деформуватися, а сам терморегулятор вийти з ладу. У цьому разі гарантійні зобов'язання анулюються.
Характеристики
| Основні атрибути | |
|---|---|
| Виробник | Tense |
| Країна виробник | Туреччина |
| Одиниця виміру | °С |
| Максимальний діапазон вимірювань | 600 |
| Напруга | 220 В |
| Користувальницькі характеристики | |
| Максимальна регульована температура | 600 |
| Контроль | ON/OFF, 0...600°C |
| Температурний гістерезис | 0 .. 50 ° C |
| Монтаж | щитовий |
| Розмір | 78x36 |
| Модель продукту | 36х78 мм |
Специфікація
Інформація для замовлення
- Ціна: 1 247 ₴



