Цифрове реле часу ERP-DX з функціями затримки вмикання (ON Delay) та затримки вимикання (OFF Delay), виробництва TENSE (Туреччина)
Реле часу призначені для використання у всіх областях, де потрібне керування за часом.
Принцип роботи та використання пристрою:

Дисплей:
Під час встановлення часу та функції, а також при зворотному відліку встановленого часу інформація відображається на екрані. Якщо робочий час встановлений у хвилинах, то крапка в правій частині дисплея блимає, коли пристрій веде відлік. Якщо час не відраховується (наприклад, таймер завершив роботу), крапка не блимає.
Ручка вибору функції (Function Knob):
Щоб встановити робочу функцію, поверніть цю ручку на потрібне значення. Під час налаштування функції на екрані відображається вибраний режим.
Функції A, B, C та D працюють у режимі затримки включення (ON delay). Максимальний час, який можна встановити для цих функцій:
- A - 10 секунд
- B - 100 секунд
- C - 10 хвилин
- D - 100 хвилин
Функції E та F працюють у режимі затримки вимкнення (OFF delay). Максимальний час, який можна встановити для цих функцій:
E - 10 секунд
F - 100 секунд
При зміні діапазону, звертайте увагу, яка літера світиться на екрані.
Ручка встановлення часу (t Knob):
Щоб поставити робочий час, поверніть ручку “t” на потрібне значення. Під час встановлення часу він відображається на дисплеї. (Якщо час змінюється під час відліку, пристрій продовжує рахувати новий встановлений час.)
Світлодіод OUT LED:
Цей світлодіод спалахує, коли пристрій активує реле.
Налаштування робочого часу та функції
Встановіть потрібну функцію за допомогою ручки функції та робочий час за допомогою ручки "t". Під час встановлення функції та часу вибрані значення відображаються на дисплеї.
Налаштування пристрою в режимі ЗАТРИМКИ ВКЛЮЧЕННЯ (ON Delay Timer)
Приклад: якщо потрібно, щоб реле увімкнулося через 5 хвилин після подачі живлення, встановіть ручку функції у положення "C" (10 хв.), а ручку "t" встановіть на "5.0".
Налаштування пристрою в режимі ВИМКНЕННЯ (OFF Delay Timer)
Приклад: якщо потрібно, щоб реле увімкнулося і працювало 5 секунд, а потім вимкнулося, встановіть ручку функції в положення "E" (10 сек.), а ручку "t" - на "5.0".
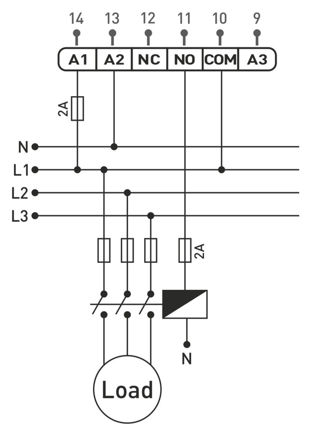
Стан реле при включенні/вимкненні
Реле включено:
- Контакти 10 (COM) та 11 (NO) - замкнуті,
- Контакти 12 (NC) та 10 (COM) – розімкнуті.
Реле вимкнено:
- Контакти 10 (COM) та 12 (NC) - замкнуті,
- Контакти 11 (NO) та 10 (COM) – розімкнуті.
Технічні характеристики
- Напруга живлення (A1–A2): 160–240 В змінного струму, 50/60 Гц
- Напруга живлення (A2–A3): 24 В змінного/постійного струму
- Потужність: < 7 ВА
- Робоча температура: від -20 ° C до +55 ° C
- Діапазон налаштування часу: від 0,1 сек до 100 хвилин
- Індикація: 1x2 світлодіодний дисплей, 1x світлодіод
- Тип підключення: Штекерний термінал
- Монтаж: На передню панель
- Розмір отвору панелі: 46×46 мм
- Вага: < 100 г
- Контакт: 5 А, 250 В змінного струму, резистивне навантаження
- Діелектрична міцність: < 2000 м
- Перетин кабелю: 1,5 мм²
Схема підключення:

Габаритні розміри:

| Основні | |
|---|---|
| Виробник | Tense |
| Країна виробник | Туреччина |
| Тип монтажу | На корпус |
| Матеріал корпусу | Пластик |
| Ступінь захисту IP | 20 |
| Термін служби | 10 років |
| Технічні характеристики | |
| Частота струму | 50 Гц |
| Споживана потужність | 7 Вт |
| Мінімальна робоча температура | -20 град. |
| Максимальна робоча температура | 55 град. |
- Ціна: 722 ₴




