Імпульсне бістабільне реле, реле з пам'яттю, реле із заскочкою, сходове реле з перекидним контактом або як його ще називають реле для організації вмикання світла з декількох місць або просто реле "старт-стоп", виробництва компанії TENSE, ER-ST або ERV-ST (нова модель).
Попри те, що назва така складна, це імпульсне реле дуже просто використовувати для спрощення життя електрика, якщо потрібно, наприклад, вмикати-вимикати світло з декількох місць. Зазвичай, у таких випадках використовують прохідні (якщо місць увімкнення два) або перехресні вимикачі (якщо місць увімкнення більше). Але у разі використання таких вимикачів є необхідність протягувати дроти між вимикачами, що не завжди зручно. Крім цього, якщо є потреба вмикати кілька груп світла (тобто використовувати двоклавішний прохідний вимикач), то кількість дротів і складність їх під'єднання може "відвести з розуму" найбільш терплячого електрика.
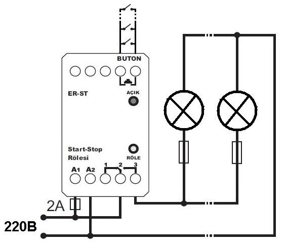
Для простого виконання цього завдання можна застосувати бістабільне (крокове) реле ER-ST. Схема під'єднання наведена нижче. Для ERV-ST схема аналогічна, але є можливість подавати живильну напругу 24 вольти

Тимчасова діаграма роботи крокового реле:

Як видно з тимчасової діаграми, принцип роботи крокового реле дуже простий — за наявності робочої напруги на контактах А1-А2, під час першого замикання контактів BUTON (натискання під'єднаної кнопки — вимикача без фіксації положення — наприклад, кнопки дзвінка) імпульсне реле замикає контакти 2-3 і вони залишаються в такому стані до наступного натискання кнопки. Якщо таке натискання відбувається, то крокове реле розмикає контакти 2-3 і замикає контакти 1-2. Процес повторюється знову під час наступного натискання кнопки доти, поки на контакти А1-А2 подана напруга.
Крім застосування для організації освітлення у великих коридорах, санвузлах або сходових клітинах, імпульсне реле може застосовуватися в системах "старт-стоп" для керування пуском або зупинком різних електродвигунів — вентиляція, конвеєри, підіймачі. У цьому разі таке бістабільне реле використовуватиметься як командний пристрій для котушки керування контактора або пуска. Схема під'єднання наведена нижче.

Якщо для під'єднання цього реле Вам знадобляться пускатели, контактори в складі з хутро. блокуванням, механічне блокування окремо або якісний металевий щит IP65 , їх теж можна купити в нас за дуже гарною ціною зі складу в Києві.
Крім того, якщо перед Вами стоїть завдання організація освітлення на сходовій клітині, можна використовувати Драбинове реле за посиланням
| Основні атрибути | |
|---|---|
| Виробник | Tense |
| Країна виробник | Туреччина |
| Кількість модулів | 2 |
| Кількість перемикаючих контактів | 1 шт. |
| Кількість розмикальних контактів | 2 шт. |
| Тип монтажу | На DIN рейку |
| Матеріал корпусу | Пластик |
| Функція "Пам'ять" | Так |
| Вага | 0.09 кг |
| Технічні характеристики | |
| Номінальна напруга котушки | 220 В |
| Мінімальна робоча температура | -40 град. |
| Максимальна робоча температура | 55 град. |
| Користувальницькі характеристики | |
| Монтаж | DIN+гвинти |
| Розмір | 44x75x85 |
- Ціна: 587 ₴




