

Багатофункціональний таймер щитовий енергонезалежна пам'ять, 48х48 мм
1 971 ₴
- В наявності
- Код: ERD-48M
+380672182423
- +380 (44) 500-28-16
- +380 (44) 500-28-17
- +380 (67) 218-22-70
- +380 (67) 218-24-23
повернення товару протягом 14 днів за рахунок покупця
Многофунциональное реле часу, електронний цифровий універсальний таймер врізний 48 мм х 48 мм, реле затримки включення, таймер затримки вимкнення TENSE ERD-48M
Цей універсальний таймер призначений для виконання практично всіх задач, пов'язаних з тимчасовим управлінням виробничими процесами, процесами контролю і управління, а так само рішення завдань автоматизації для систем освітлення, кліматичних систем, сигналізації, контролю доступу та багатьох інших можливих застосувань.
Нижче наведено список функцій, який може бути вирішене за допомогою багатофункціонального реле (таймера).

Основні характеристики:
- цифровий таймер із START/RESET/GATE входами
- 2 дисплея по 7 знаків
- 13 функцій для програмування режимів роботи
- рахує години (99:59) хвилини (99:59) секунди (599,9)
- запам'ятовує установки при проблемах з напругою
- енергонезалежна пам'ять
Технічні характеристики
- Розмір отвору в панелі: 44x44 мм
- Дисплей: 2x4 цифри 7-сегментний дисплей
- Входи: START / RESET / GATE. 3x max. 32VDC (OFF: 0 .... 2VDC, ON: 7 .... 32VDC)
- Вхід затвора: забороняє зворотний відлік, коли GATE включений.
- Вихід: вихідне реле (NO-O-NC), 250VAC, 2A, резистивная навантаження
- Розгортка часу: на вибір 99:59 годин / 99:59 хвилин / 599,9 секунд
- Режими: 13 різних режимів на вибір
- Вихід живлення датчика: 12VDC, 50mA максимум
- Напруга живлення: 100 .... 240 В змінного струму, 50-60 Гц
- Витрата потужності: <8 ВА
- Робоча температура. : -20 oC .... 55 oC
- Робоча висота: <2000 м
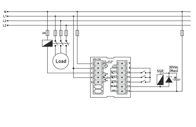
Схема підключення:

Характеристики
| Основні | |
|---|---|
| Виробник | Tense |
| Країна виробник | Туреччина |
| Користувальницькі характеристики | |
| Монтаж | щитовий |
| Регулювання | 13 функцій, енергонезалежна пам'ять |
| Розмір | 48x48 |
Специфікація
Інформація для замовлення
- Ціна: 1 971 ₴



