
Лічильник імпульсів плюс/мінус подвійний два виходи 72х72 мм
2 498 ₴
- В наявності
- Код: DS-72A
+380672182423
- +380 (44) 500-28-16
- +380 (44) 500-28-17
- +380 (67) 218-22-70Анатолій
- +380 (67) 218-24-23
повернення товару протягом 14 днів за рахунок покупця
Електронний цифровий мікропроцесорний лічильник імпульсів плюс/мінус +/- вгору/вниз розмір 72 мм х 72 мм х 105 мм з енергонезалежною пам'яттю на 2 значення лічильника з двома виходами TENSE, DS-72, ТЕНСЕ
Основні параметр лічильника імпульсів:
- 2 дисплея по 6 знаків; два значення "PRESET", два вихідних контакту
- входи для імпульсів, датчикf "Proximity" і "Incremental encoder"
- PRESET1 - можна встановити абсолютне і відносне значення
- відображення встановлених PRESET1 PRESET2 величин
- задана частота імпульсів
- захист паролем
- 7 вхідних і 10 вихідних функцій
- калібрувальна константа 0,00001 ... 9,99999
- десяткова крапка - 1 .... 5 знаків
- Додавання константи до считаемым величин
- Збереження і завантаження останніх значень при пропажі і включення робочої напруги
- Вихідний контакт - постійний або імпульсний сигнал
- EEPROM пам'ять
- "RESET" з фронтальної панелі
- легке під'єднання і від'єднання з допомогою колодки
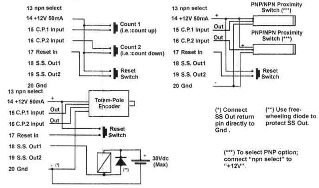
Схема підключення вхідних датчиків:

Можливі вхідні функції:

Види функцій на виході лічильника імпульсів:

Характеристики
| Основні | |
|---|---|
| Стан | Новий |
| Виробник | Tense |
| Країна виробник | Туреччина |
| Користувальницькі характеристики | |
| Дисплей | Так |
| Монтаж | щит |
| Розмір | 72x72x100 |
Інформація для замовлення
- Ціна: 2 498 ₴



