Температурний контролер PID ПІД регулятор реле температури повітря рідини нагрівача
1 502 ₴
- В наявності
- Код: DT-36Y
- +380 (44) 500-28-16
- +380 (44) 500-28-17
- +380 (67) 218-22-70
- +380 (67) 218-24-23
Температурний ПІД двоканальний контролер - ПІД (PID) регулятор, термостат, монтаж в шафу або пристрій. Размір 36x77 мм, TENSE.
Основні характеристики:
- Вибір одного з можливих режимів роботи: Р, PI, PD, PID або простий ON-OFF
- Два релейних виходу «OUT» та «ALARM»
- Режими "Нагрів" та "Охолодження" ("Heating" та "Cooling")
- Можливість автоматичного встановлення параметрів ПІД регулювання
- Вибір одного з можливих видів датчиків температури для підключення до терморегулятора - T/C (ТЖК, ТХА, ТМКн, ТПП) (J, K, T, S, R) або Pt100
- Вбудована функція компенсації ефекту інтегрального пересищення (anti-windup) та автоматичне зменшення "Перерегуляції" у режимі ПІД
- Можливість вибору абсолютного, відносного або смугового значення для ALARM контакту
- Можливість встановлення верхньої і нижньої межі для SET та ALARM
- Можливість завдання затримки включення (ON-delay) для режиму "Охолодження" (COOLING mode)
- Дворядний дисплей регуляторв на якому показується два значення температури - 4 знаки 7 сегментів встановлене значення температури і 4 знаки 7 сегментів поточне значення температури, яку вимірює регулятор.
- Вбудована компенсація впливу температури холодного підключення для датчіків типу T/C (cold-junction compensation)
- Лінійна компенсація для датчиків температури типу Pt100 приєднаних до терморегулятора - 0...50°C
- можливість завдання величини зсуву температури вимірювання для термоконтроллера
- Парольний захист параметрів встановлених в температурному контролері
- висока точність установок і витримки часових інтервалів заданих користувачем
- енергонезалежна пам'ять (EEPROM memory) для збереження даних встановлених оператором
- легкість під'єднання до контрольованого обладнанню - всі з'єднання єднання виконані за допомогою швидко відключаємих роз'ясненнями ємів.
- різні типи індикації для внутрішніх помилок приладу і помилок, пов'язаних з термодатчиком
- широкий діапазон робочої напруги 220В +10% - 20%, 50-60 Гц
- опціонно можливо встановлення замість звичайного релейного виходу твердотільного реле (SSR output).
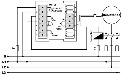
Схема підключення

При замовленні товару на забудьте, будь ласка, купити датчик температури TK а також 2-х амперний автоматичний вимикач для захисту вхідних і вихідних каналів цього пристрою (2 штуки).
Шкала вимірювань для DT-48 TENSE:
діапазон тип датчика
-100 .. 600 °C, ТЖК, J-типу T / C, (InPt = J)
-100 .. 1300 °C, ТХА, K-типу T / C, (InPt = k)
-100 .. 400 °С, ТМКн, Т-типу T / C, (InPt = t)
0 .. 1750 °С, ТПП, S-типу T / C, (INPT = S)
0 .. 1750 °С, ТПП, R-Type T / C, (InPt = r)
-100 .. 600 °C, Pt100 (InPt = Pt)
-99,9 .. 600,0 °C, Pt100 (InPt=Pt.0)
Якщо Вам знадобиться датчик температури для цього пристрою, Ви можете зверни з цього списку
датчик температури Fe const 1,5 м, датчик температури Fe const 2,5 м,
Увага, важливо! Незважаючи на те, що даний терморегулятор призначений для вимірювання температури нижче -20 градусів і вище 55 градусів сам прилад необхідно встановлювати там, де температура знаходиться в діапазоні -20....+55 градусів. Інакше пластиковий корпус може деформуватися, а сам терморегулятор вийти з ладу. У цьому випадку гарантійні зобов'язання анулюються.
| Основні | |
|---|---|
| Виробник | Tense |
| Країна виробник | Туреччина |
| Кількість перемикаючих контактів | 1 шт. |
| Тип монтажу | На плату |
| Точність шкали | 0.3 % |
| Матеріал корпусу | Пластик |
| Маса | 500 г |
| Термін служби | 10 років |
| Ступінь захисту IP | 20 |
| Технічні характеристики | |
| Кількість каналів | 1 |
| Номінальна робоча напруга змінного струму | 220 В |
| Частота струму | 50 Гц |
| Максимальний струм комутації | 2 А |
| Споживана потужність | 8 Вт |
| Мінімальна регульована температура | -100 град. |
| Максимальна робоча температура | 50 град. |
| Габаритні розміри | |
| Висота | 48 мм |
| Ширина | 48 мм |
| Користувальницькі характеристики | |
| Максимальна регульована температура | 1750 |
| Контроль | ON/OFF, P, P, PD, PID, -100+600°C/ 1300°C/ 1750°C, Нагрів/Охолодження |
| Температурний гістерезис | 0...50/0.1...5.0 |
| Модель продукту | 36х78 мм |
- Ціна: 1 502 ₴



